Bypass hose and thermostat help

Moderator: Moderators

User avatar
TIB3300
Posts: 631
Joined: Wed Oct 25, 17 10:14 am
Location: Sheffield

Bypass hose and thermostat help

Post by TIB3300 »

Hello All :read2:

Well after a hot summer so far, my new build is not liking the hot weather. When I ran the engine first. it was winter and the ambient tempter was a lower. Now its warmed up shes struggling to stay cool in traffic for more than 10 mins or so.

Am not running a thermostat,,

My question is ? can I restrict or block the bypass hose? As this seems to be for the engine before the thermostat opens :read2:
User avatar
Derek
Posts: 7505
Joined: Sun Apr 18, 04 11:19 pm
Location: Surrey
Contact:

Re: Bypass hose and thermostat help

Post by Derek »

You need to put a thermostat in it to start off with.
Are we there yet dad ..... 10 to the gallon but worth it.

MMA Public Relations Officer.
MMA South London and Surrey Area Rep.
User avatar
Blue
Posts: 14434
Joined: Sun Apr 18, 04 11:29 pm
Location: Straight outta Royston

Re: Bypass hose and thermostat help

Post by Blue »

You need to fit a 185 degree thermostat for a start. Assuming you have a heater, the bypass hose is there to circulate water through it and the rest of the block when the thermostat is closed.
“It’s good enough for Nancy”
User avatar
TIB3300
Posts: 631
Joined: Wed Oct 25, 17 10:14 am
Location: Sheffield

Re: Bypass hose and thermostat help

Post by TIB3300 »

Thanks for the input, Can you tell me why I need to fit a thermostat ?
User avatar
Blue
Posts: 14434
Joined: Sun Apr 18, 04 11:29 pm
Location: Straight outta Royston

Re: Bypass hose and thermostat help

Post by Blue »

Also I notice your fan is a long way from the rad core and there's no shroud, not helpful. The rad is lower than the top hose so getting all the air out is possibly an issue, a remote header tank or coolant recovery bottle should fix that. Not enough initial timing will also cause hot running.
“It’s good enough for Nancy”
User avatar
Blue
Posts: 14434
Joined: Sun Apr 18, 04 11:29 pm
Location: Straight outta Royston

Re: Bypass hose and thermostat help

Post by Blue »

A thermostat not only maintains the engine at a constant temperature it also acts as a restrictor to stop the coolent travelling around the system too fast and not giving the radiator enough time to dissipate the heat.
“It’s good enough for Nancy”
User avatar
TIB3300
Posts: 631
Joined: Wed Oct 25, 17 10:14 am
Location: Sheffield

Re: Bypass hose and thermostat help

Post by TIB3300 »

Blue wrote: Sat Aug 27, 22 9:11 am A thermostat not only maintains the engine at a constant temperature it also acts as a restrictor to stop the coolent travelling around the system too fast and not giving the radiator enough time to dissipate the heat.
Thanks :thumbright:


"not giving the radiator enough time to dissipate the heat"


I do understand the restriction coursed by the thermostat, and I have put in a deflector/ restrictor welded inside the top hose connector.
User avatar
TIB3300
Posts: 631
Joined: Wed Oct 25, 17 10:14 am
Location: Sheffield

Re: Bypass hose and thermostat help

Post by TIB3300 »

Blue wrote: Sat Aug 27, 22 9:08 am Also I notice your fan is a long way from the rad core and there's no shroud, not helpful. The rad is lower than the top hose so getting all the air out is possibly an issue, a remote header tank or coolant recovery bottle should fix that. Not enough initial timing will also cause hot running.
"I notice your fan is a long way from the rad core "
Thanks I will resolve that :thumbright:

"no shroud"

I have just made some filler piece to go ether side of the radiator, as there was a gap between the rad and the front panel .
"getting all the air out is possibly an issue"

Thanks I have a bleed on the top of the hose.

"I notice your fan is a long way from the rad core "


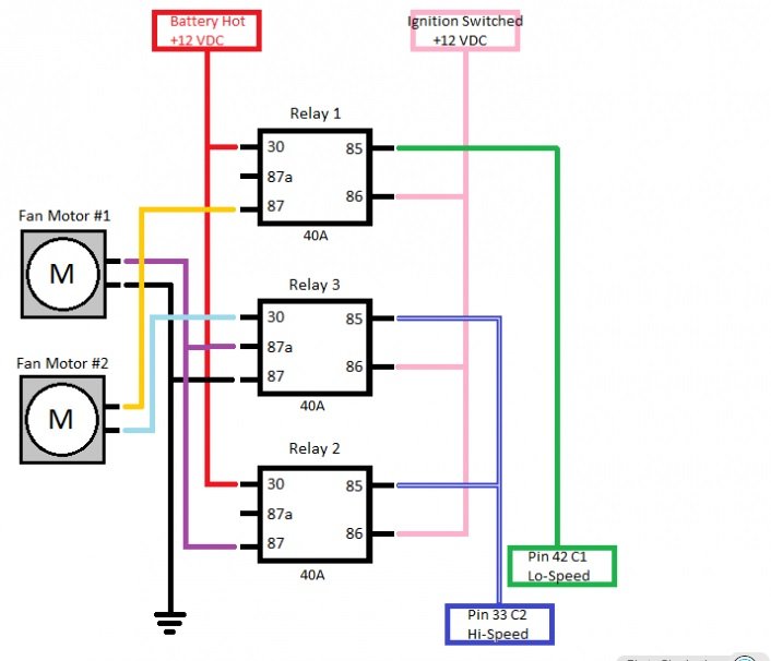
Just to add I have two 7.5in spall fans on the outside of the radiator hooked up to a high low speed switch.
Attachments
fan wiring.jpg
fan wiring.jpg (46.59 KiB) Viewed 800 times
User avatar
TIB3300
Posts: 631
Joined: Wed Oct 25, 17 10:14 am
Location: Sheffield

Re: Bypass hose and thermostat help

Post by TIB3300 »

Thanks again for the input, :thumbright:

Can I block off the bypass hose without causing problems ? :help:
User avatar
Blue
Posts: 14434
Joined: Sun Apr 18, 04 11:29 pm
Location: Straight outta Royston

Re: Bypass hose and thermostat help

Post by Blue »

Aftermarket fans tend not to draw enough air and restrict radiator flow in my experience, something big and OEM would be my advice if it’s needed, but I doubt it if the other issues are addressed.
“It’s good enough for Nancy”
User avatar
Blue
Posts: 14434
Joined: Sun Apr 18, 04 11:29 pm
Location: Straight outta Royston

Re: Bypass hose and thermostat help

Post by Blue »

If you drill a couple off 1/8” holes in the stat to allow some circulation then you can plug the bypass.
“It’s good enough for Nancy”
User avatar
TIB3300
Posts: 631
Joined: Wed Oct 25, 17 10:14 am
Location: Sheffield

Re: Bypass hose and thermostat help

Post by TIB3300 »

Blue wrote: Sat Aug 27, 22 2:33 pm If you drill a couple off 1/8” holes in the stat to allow some circulation then you can plug the bypass.
:thumbright:
User avatar
Dave999
Posts: 9564
Joined: Thu Feb 24, 05 10:31 am
Location: Twickenham,London, England

Re: Bypass hose and thermostat help

Post by Dave999 »

don't underestimate this lot of easy to fix things

1) correct lb rateing on the cap
2) correct cap they have different length springs if you fit the wrong cap it doesn't seal at its rated level id it doesn't seal you get no benefit from pressure expect it to boil and have cavitation problems you need some pressure to rasie boiling point and stop cavitation
3) seal surface corroded
4) worn spout lock area bend over the tangs in the cap if necessary to get a tight fit, cap should not work its way round due to vibration
5) way too rich at idle (and/or not enough initial advance) (over heats in traffic)
6) way too lean at speed (overheats and pings at speed)
7) too much advance at higher rpm similar to above
8) fan too far from radiator.
9) wrong or no themostat. better to have standard than go with a cool one that allows the coolant to rush round so fast it doesn't cool in the radiator

no reason why standard cooling should not work eletric fans just add load to alternator which adds load to motor which creates more heat

mechanical energy into alternator to make electriicity which is converted into mechancial energy in the fan...wasteful, 2 wasteful energy conversions when 1 would do. it easier to turn the pump than it is to turn an alternator that is FULLL ON due to the standard gearing of pump and alternator pulley set up.
better to just use existing mechanical energy.... via fan belt
use a viscous fan if you have space , makes it less wasteful at higher RPM


you may need to jack the car up at the front to get the air out of the front of the heads
does you gauge match you water temp sender? swap mopar sender for ford sender if using ford gauge, you could drill and tap a new one into the stat housing


the gist of it is don't get into
need electric fans
got electric fans but need high oputput alternator
got high output alternator which is much stiffer to turn and now need bigger electric fans
now need controller for electric fans
but the shrouding of the fans causes a lack of flow through radiator with fan off
need more fan speed need fan on all the time
need big aluminium radiator to fit all the fans
need to change mounting
need to cater for the fact that aluminium radiator might become big sacrificial annode..


etc etc etc



Dave
The Greater Knapweed near the Mugwort by the Buckthorn tree is dying
User avatar
Blue
Posts: 14434
Joined: Sun Apr 18, 04 11:29 pm
Location: Straight outta Royston

Re: Bypass hose and thermostat help

Post by Blue »

Fitting an electric fan seems to be the usual “fix” for cars that run hot. Fixing the actual cause is a better idea.
“It’s good enough for Nancy”
User avatar
Stu
Posts: 7121
Joined: Sun Jul 31, 05 4:15 pm
Location: Shropshire, home of the worlds smallest big screen TV

Re: Bypass hose and thermostat help

Post by Stu »

For my two cents, I had lots of bad overheating issues and buggered about with thermostats, hoses, radiator and all sorts before finally slapping on a £35 water pump and finding it had a massive impact. Blue kindly looked at the timing for me at a race meet and that made a big difference too. Fitted a 180 high flow thermostat and only get real issues in stationary traffic on hot days now.

Couple of other bits and bobs to do, but largely cured by a couple of cheap bits and a Blue tune!
24 hours in a day, 24 beers in a case. Coincidence? I think not…

70 Challenger
MMA/489
NSS/435
Post Reply